August
2025

Celebrating
Our Spectacular 30th Anniversary!
Honoring Enjoy the Music.com's
exceptional articles and reviews.
During 2025, Enjoy the Music.com
will feature historic audio gear reviews and articles during our past 30
years. As always, in the end what really matters is that
you... enjoy the music!
High-Performance
Audio & Music Industry News
Essential high-end audio news you need to know.
Stay up-to-date on the latest audiophile and music industry news.

Pump Up The Volume? When Is Loud
Too Loud?
Roger Skoff writes about musical and audio dynamics.
Article
By Roger Skoff
Do you know what a piano is? Sure you do;
It's big keyboard instrument that you can play music on, and that's been used by everyone from (in nothing like chronological order) Mozart to Franz Liszt (perhaps the first true rock star) to Sergei Rachmaninoff, to Yuja Wang, to
"Fats" Domino, to "Fats" Waller, to Elton John, to the neighbor kid who drives you nuts with his awful and incessant practicing next
door. Do you know, though, how a piano got its name? It's not actually just a
"piano", but a "pianoforte" – a name derived by combining the two classical music terms for
"soft (piano) and "loud" (forte), and it became hugely popular – completely replacing its predecessor, the harpsichord, because, unlike the
harpsichord's single volume level, it can be played as loud or as quietly as the player wants, and more easily convey feeling or emotion. (Instead of the
"plectra" that a harpsichord uses to pluck its strings – always with the same force – a piano has
"hammers" that can strike its strings as hard or as softly as the player wants, and produce whatever volume level may be
desired.)
--->
Pump Up The Volume? When Is Loud Too Loud?


Making High-End Audio Gear Bigger
Newer products vastly perform better than the older ones.
Editorial By Alan Sircom
The Loudness Wars of the first years of the 21st Century are, thankfully, largely behind us. The days of
'everything louder than everything else' and '3dB of dynamic range equals a hit
single' are mostly a thing of the past. However, the excesses of that time highlight a maxim that is so easily forgotten in all walks of life, including good audio; just because you can do a thing,
doesn't mean that you should. High-end audio, like its counterparts in many luxury goods markets, has yet to find its price ceiling. I
don't think it's possible to build a system that exceeds the five million mark yet (be that Pounds, US Dollars, or Euros), but
we're getting very close to that price point. Doubtless, a couple of years from now,
we'll be pushing the eight-figure barrier. But... should we? Audio enthusiasts want to build a system out of the best sounding products and that creates a
'Top Trumps' world where pinnacle performance rules. But a loudspeaker with a frequency range from DC to light or an amplifier with reservoir capacitance that could jump-start an aircraft carrier might be overkill even in the largest listening rooms.
---> Making High-End Audio Gear
Bigger.
The Endless Mysteries Of Acoustics
Real-time simulation of acoustic environments now includes auralization.
Editorial By J. Martins
I had great experiences at AXPONA and the High End Show in Munich this year. Both shows are extremely influential in projecting trends every year, revealing both the extreme high-end of audio designs for those that are aiming for the ultimate and the latest concepts for the more approachable home audio tiers of the market, which increasingly also include more high-quality lifestyle products. On top of the audio and design innovations that
audioXpress reports, those trade shows reveal the overall directions for audio technology for the home market, showing how brands are revived and refreshed, and how technology creates new listening possibilities in the living room, for entertainment systems, and even whole home and multiroom
approaches. This is more noticeable at the European show, and needs to be reinforced in the expo area of AXPONA, creating a welcome and much-needed opportunity for more mainstream products and brands, many of whom have more products than those they are able to fit in a listening room.
---> The Endless Mysteries Of
Acoustics.
World Premiere Review!
Genesis G7 Samba Floorstanding Loudspeaker Review
You're drawn into the music by its amazing, lifelike sound.
Review By Senior Editor Tom Lyle
I first became aware of Genesis speakers
when I was a young man, shortly after they were first introduced in 1991 via the
audiophile press. It was tough to ignore the fact that anyone who discussed this
brand of speakers never failed to mention their chief designer, the late Arnie
Nudell, and his passion for research and development, as well as the use of
premium materials, their impeccable design, and, by all reliable accounts, their
outstanding sound quality. Genesis introduced their more affordable G7 Series in
2005, beginning with the G7c, also known as the Convertible, a bookshelf speaker
designed by Genesis' Arnie Nudell, who sadly passed away in 2017. The G7c speakers were soon followed by other models created by Mr. Nudell's successor, Gary L. Koh, who is now Genesis' Chief Designer and the CEO of Genesis Advanced Technologies. These newer models included the G7p (Petite) and the G7f, a floor-standing model with an active side-firing woofer. Although the G7 Series was discontinued in 2018, it has now been
reintroduced.
--->
Genesis G7 Samba Floorstanding Loudspeaker Review.
World Premiere Review!
Vintage Warmth Meets Modern Clarity: Pilot Radio Vacuum Tube Stereo Preamplifier Review
Elevating your hi-fi setup with a blast from the past.
Review By Paul Schumann
My dad passed away last August. This has brought back many fond memories of him.
One of my earliest memories was of my dad's sound system in the bedroom beside
mine. I only got a few peeks in there since my presence in that chamber was
normally strictly verboten. Besides the fantastical sounds that I could
hear, I remember the orange glow coming from the Dynaco ST 70 and a mixture of
the mingled aromas of solder and fresh vinyl. My dad only had his special music
room a couple of years before my brother arrived. I moved into my dad's sanctum,
and his audio system, vinyl, and tapes were banished to the basement. Such are
the sacrifices of a parent. Even in the basement, that great stuff was behind a
locked door to keep it away from my grubby mitts. My dad spent quite a bit of time down there when I was young,
but as the years passed, the basement became the domain for my brother and me.
--->
Vintage Warmth Meets Modern Clarity: Pilot Radio Vacuum Tube Stereo Preamplifier Review.

600 Watts Of Musical Bliss: Rotel Michi X5 Series 2 Integrated Amplifier Review
A modern Swiss Army Knife stereo integrated amplifier for music lovers.
Review By Brett Rudolph
A few months ago, I had the pleasure of attending the Florida International Audio
Expo 2025. It was an incredible show, and the week I got home, I got even better
news. My editor had arranged for me to review the new Rotel Michi X5 Series 2
solid-state stereo integrated amplifier with phono stage and Hi-Res Audio DAC
here at Enjoy the Music.com. Michi is a designation that represents a
flagship series of components within Rotel's family of products. Originally
introduced to the market in 1993, it showcased all the best that Rotel had to
offer. However, the components as we know them today were reintroduced to the
market in 2019. These latest incarcerations continue to showcase the best Rotel
has to offer while keeping audiophile values alive. Of course, all the labels aside, the thought of getting an
integrated amplifier excited me personally.
--->
600 Watts Of Musical Bliss: Rotel Michi X5 Series 2 Integrated Amplifier Review.
Chesky Audio LC1 Bookshelf Monitor Loudspeaker Review
Clean, spacious, and incredible transparent sound.
Review By Ron Nagle
You
know, I heard it through the grapevine. Chesky Audio's LC1 Bookshelf Monitor
loudspeaker was mentioned in show reports I found online. Many critics remarked
how great these inexpensive $996 bookshelf speakers performed. At the same time,
I received a shout-out from my friend and colleague Rick Becker at Enjoy the
Music.com, and he thought the LC1 would be perfect to audition in my
smallish 12' by 19' foot ear cave listening room. Initially, that seemed to make
a lot of sense. The old audio adage tells us, small speakers fit in a small
room. So I cast my lot and submitted my case on the Chesky Audio web space. It
turns out that they were in such demand that there was a serious backlog.
The designer, Lucca Chesky, is pretty much a one-man band who is busy 3D
printing and finishing them by hand. The backstory has him still in high
school when he developed the LC1 bookshelf monitor speakers as reviewed here.
--->
Chesky Audio LC1 Bookshelf Monitor Loudspeaker Review.


Ayon Audio Crossfire EVO Monoblock Power Amplifier Review
Ayon Audio's Crossfire Evo produces an amazingly rich, tuneful sound with
tonal balance.
Review By Wojciech Pacuła
When we carried Ayon Audio's Crossfire Evo monoblock
amplifier for review to my apartment on the fourth floor, my mind flooded with
memories of a Germany reviewer that uses Ayon Audio's Epsilon mono amplifiers
for quite some time. He use them in both his mastering work while preparing
vinyl re-issues and for reviewing purposes. His amplifiers use eight KT150 tubes
each to produce sound. Attendees of the Audio Show 2014 in Warsaw (Poland) could
find that out for themselves listening to how well these amps handled the mighty
Dynaudio Platinum Evidence loudspeakers. So while going up the many floors to my
home, Ayon Audio's Crossfire Evo monoblocks might not be particularly heavy
since most of the weight is concentrated on their backs due to the large
transformers. There are two power transformers as one powers up only the output
tube, as the other serves for input and driver tubes.
--->
Ayon Audio Crossfire EVO Monoblock Power Amplifier Review.
The Complete Guide to High-End Audio
Fifth Edition by Robert Harley
An excellent reference book for a newbie and seasoned reviewer.
Review By Heather And Steven R. Rochlin
Steven got this very helpful reference book for me, The
Complete Guide to High-End Audio Fifth Edition by Robert Harley, as I
slowly learn some of the ins and outs of high-end audio. I am very content
listening to the awesome systems both within our home and at shows. Other times,
there are great interests in what makes these products excellent, and so I
really want to know about the what, why, and especially how these systems achieve their great sound. I realize there are people out there who actually enjoy
reading technical manuals, such as my husband Steven, yet this is not for me.
The Complete Guide to High-End Audio
is perfect for me as a reference book. In fact I bring it with me to the many
different audio shows we attend just in case there are questions about
something. Am a bit timid and don't want to ask a silly question, so I refer
to my awesome new book! For me, and probably all audiophiles both seasoned and
aspiring, have found the glossary extremely helpful.
--->
The Complete Guide to High-End Audio.

YG Acoustics Carmel 2 Floorstanding
Loudspeaker Review
A thorough revision, with many improvements, to its previous design.
Review By
Phil Gold
There are many schools of thought concerning the best way to
make a loudspeaker. There is no doubt the folks at YG Acoustics with the Carmel 2
floorstanding loudspeaker ($24,300) as reviewed here think differently. Some will point you at electrostatic or planar magnetic
panels, but most designers have chosen the more conventional approach of using
dynamic drivers. Some will insist that all crossovers are evil, and the only
way to avoid this evil is to use a single dynamic driver. A lot of creativity
has been expended in this direction, particularly for those who wish to partner
these speakers with low powered SET amplifiers, since single driver speakers can
be highly efficient. But most will say both the low end and the high end are
compromised in either level or accuracy by this choice, and direct their
attention to multi-driver boxes.
--->
YG Acoustics Carmel 2 Floorstanding Loudspeaker Review.
The Slot Loaded Open Baffle
Loudspeaker Project
Article By Nelson Pass
In 1972 I had the good fortune to begin working for ESS,
arriving a few weeks before they met Oskar Heil and his air motion transformer design. You
can imagine the excitement that followed. The first Heil tweeter was a dipole
design like an open baffle and it operated from about 800 Hz to above 20 kHz
with high accuracy and efficiency. Once the tweeter had been launched in a commercial product,
thoughts turned to the notion of a low frequency version. Oskar had a design
which looked like a stack of pancakes with magnets on the top and bottom and a
series of parallel cones driven by rods which passed through small holes in the
cones. As a concept it was workable, but it did not look like something that
would be easily made. While Oskar continued to develop that approach I put together
a prototype for the AMT-3 that used six regular woofers firing against flat
panels in a slot loading arrangement.
---> The Slot Loaded Open Baffle Loudspeaker Project.
Listener
Magazine: The Intro
Editorial By Art Dudley
Until eight or nine months ago, Listener
Magazine rented office space U on the second floor of what used to be the Oddfellows Hall in Oneonta, New York. Our two rooms were toward the back of the building, right next to a spacious and well-equipped
kitchen. judging from what we found in the building, hot meals were a key part of every Oddfellows meeting, along with a thoroughly bizarre ceremony involving elderly men dressed like David and Goliath and a skeleton in a black cardboard coffin.
(And thus evaporated all mystery surrounding the group's name.) The important thing here is the kitchen, in which we kept a
coffeemaker. One day it was my turn to wash it. I had been rinsing the carafe under running water for several minutes when I recognized a sound: Someone was speaking to me, and apparently had been for several minutes. I turned off the tap and there was my then-assistant, Kim Harmer, gabbing away in my
direction.
---> Listener Magazine: The Intro.
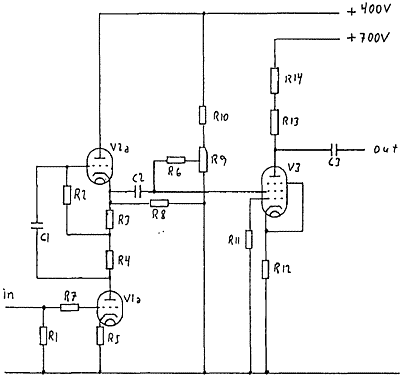
Try A Screen Driven Driver Stage
Article By Rikard Berglund
From Sound Practices
Issue 8
Some output tubes (211 and 845) need a very
high drive voltage with low distortion. Some tube freaks have used the 300B tube as a driver
but it is very expensive. Others have tried to use a triode connected EL34 but it is not
linear enough. A pentode driven on the screen grid is very linear. I have tried this concept in a new driver
stage, as shown on the accompanying schematic. The first two tubes V1 and V2 form an
asymmetrical mu-follower. V3 is a screen grid driven pentode. Adjust the potentiometer R9
to 350V DC at the plate of V3. You can use many different tubes for V3. I made distortion measurements for some different tube types with the results given in
table 2. EL36 and 5881 are the two best tubes. The linearity of these two tubes in this
"enhanced" mode is even better than for a 300B tube used as a driver.
---> Try A Screen Driven Driver Stage.

The Venerable Dynaco Stereo 70
Article
By Dan Schmalle
Said to be the most popular tube
amplifier ever made, the Dynaco Stereo
70 has been around for over thirty-five years. Its early popularity was due to a reasonable price
coupled with good quality iron and a sound seemingly liked by all. A simple circuit consisting of a then new
RCA 7199 sharp cutoff pentode medium mu triode driving a pair of 6CA7/EL34's per
channel, with a GZ34/5AR4 for B+ ,
made for an easily built, easily adjusted kit It has also been a platform for more modifications than any other
piece of gear made. The mods have ranged from simple recap jobs to full redesigns
ala Joe Curcio and Audio Research. Some examples of kit built mods are shown on this
page. All the mods are naturally done to correct perceived deficiencies in
the original circuit and so tend to group around said
deficiencies A list of interesting modification articles,
reviews and related info is at the end of this article. The two most common areas of
attack seem to be the power supply and the driver stage.
---> The Venerable Dynaco Stereo
70.

Marantz CD60 CD (Compact Disc) Player Review
The Marantz CD60 CD Player has me very impressed out of the gate but will it seal the deal with pricier amplification and loudspeakers? Stay
tuned.
Review By Ian White
Back
in February, I spent some time with Marantz so I could experience the
new Marantz 40n Network Integrated Amplifier. The $2500 amplifier drove
multiple pairs of Bowers & Wilkins loudspeakers in the hotel space with
relative ease and I left after two hours of listening thinking that Marantz
needed to introduce something less expensive to match it. There were other CD
players on display in the room but they were priced well above what I was
thinking. I was hoping to see the 40n connected to something like the brand new Marantz
CD60 that was just introduced at HIGH END in Munich for $999. There are plenty of people who will shake their head at
something like the Marantz CD60 in 2022 with streaming owning 85% of the market
right now — but I'm not part of that group. Not even remotely. I started buying CDs in 1984 when my father brought home a new
Yamaha CD player from Bay Bloor Radio and after almost 38 years of purchases, my
collection approaches almost 2000 CDs.
--->
Marantz CD60 CD (Compact Disc) Player Review.
JPS Labs Superconductor V Interconnects,
Loudspeaker Cable, And USB Cable Review
Connecting to the Soul of Music.
Review By Paul Schumann
There has been quite a bit of discussion, lately, in this publication and other forums, about the current direction of the music industry. One of the hot topics is how popular music is recorded and produced. Many argue that the use of software, like
ProTools, to snap everything to a grid and correct any
"flaws" is robbing the music of its soul. Many times the result is music that, while initially appealing, quickly loses the interest of the listener. It is soulless
music. The question is, what is this soul and how do we recognize it? I think most of the time, this occurs at a subconscious level. Why do we want to go see an artist in concert when
we've already heard all of their songs multiple times in studio perfection? Because we want to connect to the soul of the music, warts and all. Now,
I'm not saying some audio processing tricks aren't going on at these concerts, but there is only so much that can be done live. In the end,
it's about the artists connecting with the audience.
--->
JPS Labs Superconductor V Interconnects, Loudspeaker Cable, And USB Cable Review.
Audio Note UK M2 Linestage / Preamplifier And Conqueror Power Amplifier Review
Taking the road less traveled.
Review By Paul Schumann
Hi-fi
audio emerged in the 1950s with the introduction of the LP record. As the
business evolved and stereo became the norm, acoustic suspension speakers gained
popularity due to their smaller footprint in the family room. What followed
after that can be called an arms race between audio manufacturers to build more
powerful amplifiers. This continued as hi-fi became high-end audio. It was not
uncommon to see on the pages of print magazines reviewing amplifiers rated at
400 Watts per channel or more. But not all music lovers were following this path. While the
audio business was trending towards the more powerful tube and solid-state amps,
an underground movement in Japan was extolling the virtues of the old
low-powered Western Electric amps when paired with speakers of the same vintage.
--->
Audio Note UK M2 Linestage / Preamplifier And Conqueror Power Amplifier Review.
FiiO M15S Desktop / Portable Hi-Res Lossless Music Player Review
FiiO's M15S and FH9 have incredible synergy and represent an ideal portable listening
experience.
Review By Gary Alan Barker
Until I received my FiiO R7 Music Server my go-to
player to burn in headphones or to act as a digital source for DAC reviews
(computers tend to be noisy over USB) has been my trusty FiiO M11 DAP (while
the FiiO M11 Plus LTD offers some advantages, it also sucks up a lot
of power), but FiiO is not a company to rest long, always pushing the envelope
and developing new and better players, and in this vein is their new FiiO M15S
Desktop/Portable Hi-Res Lossless Music Player. Slightly larger and with an
almost half-inch larger display, the M15S boasts an eight-channel DAC and over twice
the power output and includes a desktop dock with a built-in cooling fan. Some of the things that set the FiiO M15S Desktop/Portable
Hi-Res Lossless Music Player apart from the pack beyond the FiiO DK3S dock, are
the Dual Power Supply Mode, the Five Gain Levels, Six Operating Modes....
--->
FiiO M15S Desktop / Portable Hi-Res Lossless Music Player Review.
Siltech Launches Master Crown Cables
New flagship from Holland's premiere cable manufacturer.
Launch Event Coverage By Greg Weaver
Siltech
recently launched a new, flagship series of audio cables called Master Crown. As
with everything they do, the launch would be a first-class event. With the help
of US Siltech distributor, Monarch Systems, based in Englewood, CO, a press
event was held Friday, June 20th to introduce and demonstrate the advantages of
this new product to the audio press. Monarch Systems was founded by two audio industry veterans,
Jon Baker and Rich Maez, and with the assistance of their Marketing Manager,
Jaclyn Schnirring, they played host to seven members of the press in a spacious,
beautiful home in the gated community of Las Campanas, to the west of the heart
of old Santa Fe, at a location they call La Casita. We were also honored
to be joined by Siltech's own engaging, conversant, and well-informed Gaby
Rynveld, who led much of the day's ceremonies.
--->
Siltech Launches Master Crown Cables.
TAD Evolution C1000 Preamplifier And M1000 Power Amplifier Review
Two top-notch solid-state components.
Review By Tom Lyle
TAD (Technical Audio Devices) is a high-end
audio manufacturer based in Tokyo. It is a subsidiary of the sizable mass-market
audio manufacturer Pioneer. Although Pioneer produces some fine, mostly
affordable gear, TAD works independently of Pioneer, designing and manufacturing
much more upscale high-end audio products. In 1975, the Tokyo-based Pioneer
Corporation began TAD to develop high-end speakers for professional use. In
2007, TAD became an independent subsidiary of Pioneer and has been designing and
manufacturing all types of high-end audio products primarily focusing on
speakers and amplifiers for home use. Previously, my only experience reviewing TAD products was two
years ago, when I reviewed their $20,000 Evolution Two (TAD-E2) floor-standing
speakers. These 2.5-way speakers impressed me both in their visual appearance
and sound quality.
--->
TAD Evolution C1000 Preamplifier And M1000 Power Amplifier Review.
World Premiere Review!
Merrill Audio Element 110 Monoblock Power Amplifier Review
A significant accomplishment!
Review By Tom Lyle
I would understand if some readers of Enjoy the Music.com assumed that I
was in cahoots with the high-end audio company Merrill Audio. This is my fifth
review of a Merrill Audio component. Within the April 2015 issue I reviewed Merrill
Audio's Thor monoblock power amplifiers and, also that year, Merrill's
Taranis power amps. In 2017, I reviewed Merrill's outstanding Christine
Reference preamplifier. Then, in 2018, I reviewed their mighty 118
monoblock power amplifiers. I have reviewed many of Merrill Audio's products
because their headquarters are about twenty miles from my home. The owner of
Merrill Audio, Merrill Wettasinghe, has hand-delivered each review component
I've reviewed. While he is here, and because Mr. Wettasinghe and I are both
audiophiles and music lovers, we often listen to some music after setting up the
equipment. Afterward, we frequently get something to eat at a local eatery. Does our professional friendship influence my
reviews of Merrill Audio's high-end audio equipment?
--->
Merrill Audio Element 110 Monoblock Power Amplifier Review.
Previous Issues
2025
January
February March
April May
June
July
2024
January
February March
April May
June
July
August September
October November
December
2023
January
February March
April May
June
July
August September
October November
Great Audiophile Gift 2023
December
2022
January
February March
April May
June
July
August September
October November
Great
Audiophile Gift 2022 December
Note: We have magazine issues dating back to 1999.
See our archives section for thousands of reviews.