Home  |  High-End Audio Reviews  Audiophile Shows  Partner Mags  Hi-Fi / Music News

High-End High-Performance Audiophile Review Magazine & Hi-Fi Audio Equipment Reviews
Audiophile Equipment Review Magazine High-End Audio

  High-Performance Audio Reviews
  Music News, Show Reports, And More!

  30 Years Of Service To Music Lovers

Spring 2009

The Difference Engine Preamp Version 1.0
Exploring a 'secret' circuit called a differential. 
Article By Grey Rollins

Difficulty Level

    

 

The Circuit
Last time out, I proposed a simple solid-state analog to Conrad Johnson's ART preamplifier. As electronic projects go, it was close to the bare minimum — inexpensive, low parts count, no adjustments to make, and barring the selection of JFETs, the whole thing could be completed in an hour and still leave time to wash your hands before dinner. What more could you ask for?

Funny you should ask...

I'm in the middle of a long-term project to convert my system from single-ended to balanced from stem to stern. That means that the SSTART, for all its charms, doesn't fit my overall game plan. For that, I need a preamp capable of handling a balanced signal. Furthermore, the SSTART's 20dB of gain is a bit much given that CDs and similar digital sources provide a fairly robust signal requiring little in the way of amplification. Many — though not all — phono stages now provide high level outputs as well, so listeners are seldom faced with the need for 20dB of gain in a preamp these days.

A balanced preamp need not have a balanced input. In fact, if you go at things the right way, you can present a balanced preamp with a single-ended input and... presto... it conjures a balanced output out of thin air. This is ideal for me, as I never seem to find the time to complete the balanced phono stage I've been promising myself (along with quite a few other things on my to-do list, but let's not get sidetracked...) and the ability to convert a single-ended signal to a balanced one is a useful trait, indeed.

The secret to creating a balanced signal where none existed before is a circuit called a differential. True, there are other ways to accomplish the same thing, like the split load circuit, but the differential is the most elegant solution. A differential is just two gain devices connected back-to-back. In the case of a Field Effect Transistor, the connection is between the two Sources. Tie that same node to a resistor, give each Drain a load resistor, and you're done. Any signal you present to the Gate of one FET will, as though by magic, drive the other as well, but in the opposite direction. It's not quite a case of something for nothing, but it's about as close as you're likely to find in the real world.

Differentials take advantage of the fact that the Source of an FET (cathode for tubes; emitter for bipolar transistors) can be used as either an input or an output. If you put a signal into an FET's Gate, that same signal shows up at the FET's Source. This is the basis of the familiar Source follower. When you connect two FETs' Sources together that signal can then enter the second FET's Source, causing it to produce a signal as well. That signal is in phase with the input. The first FET produces an output that is out of phase with the original signal. Now, by the simple addition of a second FET, you have produced two signals of equal amplitude, but opposite phase — a balanced signal, in other words.

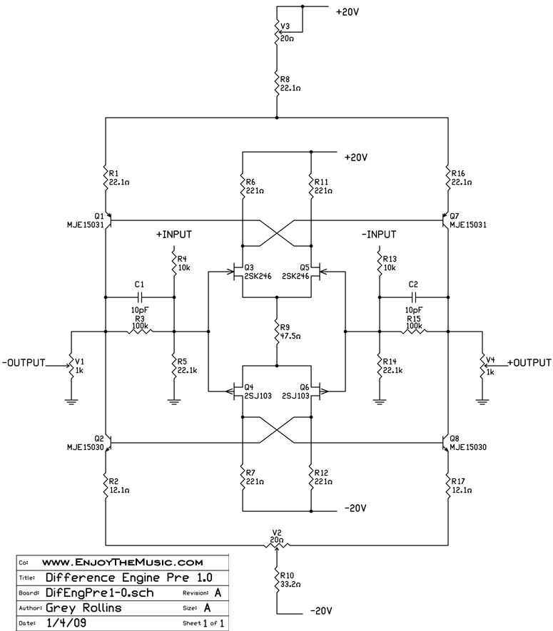
In this case I employed, not one differential, but four. In fact, every functional block in the circuit is a differential, which suggested the name Difference Engine (with apologies to Babbage) back when I first began playing with the topology several years ago.

dif_eng_pre1_schematic.gif (29188 bytes)
Click the above for larger image.

The circuit begins by sharing the input signal between the Gates of two different differentials, one comprised of N-channel devices, the other of P-channel devices. This might seem to be meaningless duplication, but it allows much of the distortion introduced by one sort of device to be cancelled by the other. The outer portion of the circuit is comprised of two differentials turned the other way, so that instead of Sources meeting Sources, you have Drains meeting Drains. This gives a potentially enormous amount of gain, since the impedance of a Drain is huge and the bigger the impedance seen by the Drain the more gain you have. However, this rampant tendency to shout is reined in by the relatively low 1k load represented by the resistance at each output, thus reducing the gain to something closer to normal conversational levels. In the final analysis, single-ended gain with the unused input grounded is around 12dB, which happens to be a practical amount of gain when using high level sources as inputs.

I've included two adjustment pots to control the residual DC offset. V2 controls the relative offset between the two outputs. If one output has a slightly higher or lower offset than the other, this pot is used to trim them to the same value. The other control, V3, allows you to set the absolute DC offset once the two sides are made equal. In practice, you'll have to go back and forth between them several times to get both sides set to 0V relative to ground. Let the circuit warm up thoroughly before trying to set the DC offset.

The best construction technique is to mount all four of the output devices on the same piece of metal, as close together as possible. DC drift at the outputs is caused by the devices being at different temperatures and the closer you can keep them to the same temperature, the better. With that trick and the trim pots, you can get the DC offset down to vanishingly small proportions. The input devices are also sensitive to temperature, and if you're sufficiently dedicated you can epoxy them together to help them track one another thermally. Or you can just protect them from vagrant breezes and they'll settle in nicely without having to go to all that trouble.

C1 and C2 trim the bandwidth so that those who live in RF-prone areas will be less likely to receive mouthy talk radio stations when they were actually in the mood for Brahms. If you live in an area where you are less likely to have problems, feel free to reduce or eliminate the caps, but if you do so it's a good idea to observe the performance of the circuit on an oscilloscope before hooking it into your system. This is one of those better safe than sorry things. If there's any question about RF in your area, it's better to have the caps in the circuit.

I've shown the volume pots at the outputs (V1 & V4). They should be ganged together if you intend to use a balanced output signal. If you only need a single-ended output, you can replace the unused pot with a fixed resistor. Alternatively, you can replace both pots with fixed resistors and place your volume pot(s) at the input(s).

 

Improvements
The first and most obvious thing to do is to run the outer differentials from separate, higher rail voltages. This allows two improvements: Higher bias current for the output stage and higher impedance (whether resistors or current sources) supplying the output differentials. The higher impedance aspect is useful, but not necessarily the sort of thing to keep you awake at night. Higher bias, on the other hand, is very desirable. For those who feel that objective measurements are indicative of audible performance, it allows for dramatic improvement in the distortion specification. As icing on the cake, it gives the user greater freedom in driving low impedance loads and wider voltage swings at the output.

If it is such an obvious thing to do, why didn't I go ahead and build it into the circuit? In a word: psychology. I've noticed a strong tendency among solid state DIY folks to turn away from any circuit that requires more than one rail voltage. Interestingly, people who are accustomed to tube circuits don't seem bothered by multiple rail voltages, perhaps because they're already used to circuits that have a bare minimum of two rails (the filament supply in addition to the main B+) and often more. In any event, the circuit performs quite well when running from a single set of +20V rails. If you like, you can always go back and increase the output rail voltage later.

So how much voltage and how much current to add? The front end doesn't really show much measured improvement with increased voltage and the bias is already near the maximum, but increasing the front end voltage in addition to the output rails does allow for greater output voltage swing. If you increase the output rails only, I would suggest +25 to +30V. Bear in mind that if you increase the rails, you'll need to adjust R8, R10, and V3 to compensate.

Suppose you want to increase the output rails to +30V, leaving the front end at +20V so as to increase the output current and the impedance driving the emitters of the output devices. In the stock circuit, there's about .5V across R10, which works out to 15mA. You'll need to increase the value of R10 so that you get about the same amount of current with 10.5V (the original .5V plus the added 10V). A simple matter of Ohm's Law: V/I = R. This works out to 700Ω, which is not a common value. Something on the order of 682Ω would be a good choice. For the upper differential, you'd want to use something like 475Ω for R8 and a 500Ω pot for V3. To increase the bias current, decrease the resistances. For instance, if you want to increase the output bias to 20mA per device, this would mean that there was a total of 40mA in R10. Again, apply Ohm's Law: 10.5V/40mA = 262.5Ω. A good match here might be something like 274Ω for R10, 221Ω for R8, and 200Ω for V3.

If you want to use current sources that will work, keep in mind that the current source for the upper differential will need to be adjustable. It's not hard to do, but to describe the process would double the length of this write-up and be distracting for those who want to build the circuit as-is.

The front end will not need any adjustments for 25 or 30V rails. As you approach 50V, you'll run into the rated voltage limit for the JFETs and their practical heat dissipation limits. It's probably best to keep the front end under +40V or so. The outputs can stand quite a bit of voltage, but there's little benefit to going beyond, say, 10V over the front end rails.

The stock circuit runs about 7.5mA per output device. This isn't enough current to cause much heating in a TO-220 case such as the MJE15030/MJE15031 use and they are quite safe to run without a heat sink. Remember that the reason I suggested mounting them on the same piece of metal (the thicker, the better) earlier was to ensure that they were all at similar temperatures. If you begin boosting the current as well as the rail voltage, I would suggest using heat sinks or increasing the size of the piece of metal you have them attached to once you get above ½W of heat dissipation per device.

 

A Word About Parts
The sad fact of the matter is that there are no domestic manufacturers of complementary JFETs here in the US. For that, you have to look to overseas suppliers — in particular, Toshiba. The JFETs I've specified for the front end, the 2SK246 and the 2SJ103, are pretty much the only reasonable parts in production at this time. They are available in three grades, Y, GR, and BL. I recommend using the BL grade, although the others can be made to work.

Unfortunately, these parts are not likely to be available at your friendly corner parts shop. You'll most likely have to order them from someone on the web. At one time or another I have ordered from all three of these suppliers and found them to be reliable:

www.ceitron.com     www.mcmelectronics.com     www.bdent.com

Those with plenty of time on their hands and the desire to search far and wide may find other sources for these parts. I strongly recommend matching these JFETs for Idss, so buy more than you think you'll need. Besides, you might just need some for future projects.

Inevitably, a chorus of voices will arise demanding to know if the 2SK389/2SJ109 or 2SK170/2SJ74 will work for the front end. The answer is yes, although you should lower the value of R9 so as to bias each of the front end JFETs at 5-6mA, minimum.

The MJE15030 and MJE15031 I used are made by On Semiconductor and are widely available. You shouldn't have any problems sourcing them from the usual parts houses:

www.mouser.com     www.digikey.com

Other places carry On Semi parts, as well. Although it's possible to match these parts, I did not do so for the prototype and still got reasonable performance.

 

Specifications
Gain: 12dB single-ended, unused input grounded, 18dB balanced
Frequency Response: -3dB @ 150kHz
Distortion: < 0.06% THD
Maximum Output: 7.5Vrms
Input Impedance: 10k single-ended, 20k balanced
Output Impedance: < 200Ω for the basic circuit, actual impedance depends on the
                            setting of the volume pot if you choose to use the configuration as shown

 

Note that these specifications were measured on the circuit as shown — not enhanced in any way. It was also on a naked breadboard at the time, and my test bench is right under the main breaker box for the house, so there's plenty of interference in the air. It should be a trivial matter to beat the distortion specification quoted. And, yes, I'll be moving my test bench from underneath the AC lines… just as soon as I win the lottery.

 

 

 

 

 

 

 

 

 

 

 

 

 

 

 

 

 

 

 

 

 

 

 

 

 

 

 

 

 

 

 

 

 

 

 

 

 

 

 

 

 

 

 

 

 

 

 

 

 

     

Premium Audio Review Magazine
High-End Audiophile Equipment Reviews

 

Equipment Review Archives
Turntables, Cartridges, Etc
Digital Source
Do It Yourself (DIY)
Preamplifiers
Amplifiers
Cables, Wires, Etc
Loudspeakers/ Monitors
Headphones, IEMs, Tweaks, Etc
Superior Audio Gear Reviews


Show Reports
Capital Audiofest 2025
Toronto Audiofest 2025
HIGH END Munich 2025
Lone Star Audio Fest 2025
AXPONA 2025 Show Report
Montreal Audiofest 2025 Show
Southwest Audio Fest 2025
Florida Intl. Audio Expo 2025
UK Audio Show 2024
Pacific Audio Fest 2024
...More Show Reports

 

Videos
Our Featured Videos


Industry & Music News

High-End Audio & Music News

 

Partner Print Magazines
audioXpress
hi-fi+ Magazine
Sound Practices
VALVE Magazine

 

For The Press & Industry
About Us
Press Releases
Official Site Graphics

 

   

 

Home  |  High-End Audio Reviews  |  Audiophile Show Reports  Hi-Fi / Music News  About Us  |  Contact Us

 

 

All contents copyright©  1995 - 2025  Enjoy the Music.com®
May not be copied or reproduced without permission.  All rights reserved.